Remote control of outputs is an advanced feature which is not activated as standard on all WebWay devices. To learn more about activating this feature, please show your interest by giving us feedback using the Ask WebWay form on the right.

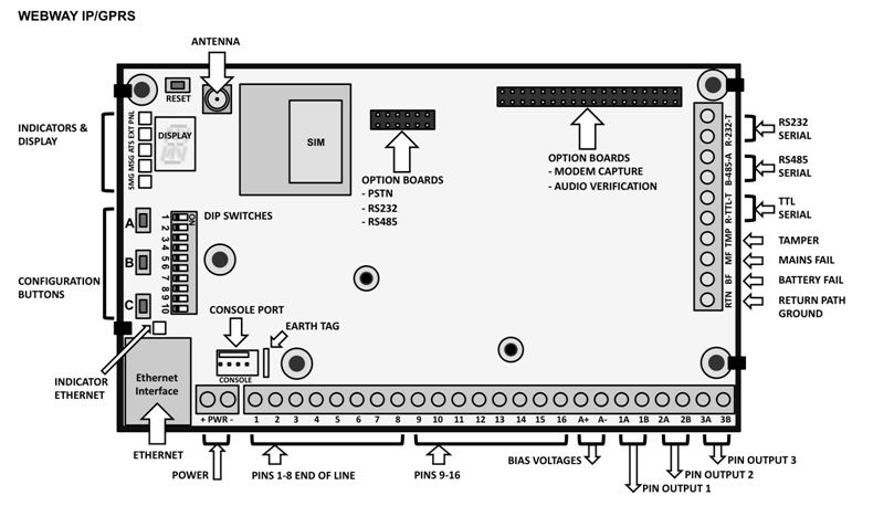
Located in the bottom right of the board they are paired, volt-free contacts = 1A+1B, 2A+2B, 3A+3B To control each output individually from Command Centre use the Site -> Control Status -> Relay Control Box: Please note we are working on adding this controls to Connections in WebWay World. To learn more about this please show your interest by giving us feedback using the Ask WebWay form.

The SPT units the outputs function as volt-free paired contacts:

Phone
Email

Support

Knowledge Base

Panel Guides

Downloads

FAQs